все слова
любое слово
точная фраза
Приветствуем,
Посетитель
!
Регистрация
Войти
Меню
Биотопливный рынок
Пеллеты
Брикеты
Оборудование
Пиломатериалы
Уголь
Регионы
Украина
Германия
Италия
Польша
Европа
Базы компаний
Добавить
Цены
Новости
События
Главная
/
Оборудование - брикеты
/
Линии брикетирования
/
Продам
Выбрать регион
?
Сбросить фильтр
Sell (0)
Buy (0)
Регион
Беларусь (12)
Польша (4)
Чешская республика (3)
Литва (3)
Германия (3)
Китай (3)
Латвия (2)
Болгария (1)
Турция (1)
Фильтр по Цене
Выберите диапазон
Показать
Отменить
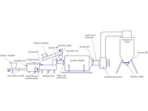
Продам линию для производства топливных брикетов
по дате
по A-Z
по Цене
Показывается
277
-
288
из
329
Просмотр:
Смотреть по
12
24
36
48
2
Кликните на фото, чтобы увеличить
Продам линию по производству топливного брикета
0
ПРОДАЁМ ЭКСТРУДЕРНЫЕ ПРЕССА ДЛЯ ИЗГОТОВЛЕНИЯ БРИКЕТОВ ИЗ ОПИЛОК
0
Продам новый гидравлический брикетировочный пресс
0
Оборудование (оригинальное) для брикетирования
0
Линии брикетирования (оригинальные)
0
ПОСТАВКА ЛИНИИ ПО БРИКЕТИРОВАНИЮ
4
Кликните на фото, чтобы увеличить
Производим линии брикетов
0
Линии по производству топливных брикетов
0
Продам оборудование для производства брикетов
0
Линия по производству топливных брикетов 400 кг/час
0
Производим комплектацию технологических линий по производству топливных брикетов
0
Продам линию по производству топливных брикетов
Смотреть по
12
24
36
48
<<
<
21
22
23
24
25
26
27
28
>
Товар:
Оборудование - брикеты
>
Линии брикетирования
>
Продам
Запрос -
Оборудование - брикеты
>
Линии брикетирования
>
Продам